高压穿墙套管(以下简称套管)适用于电压10~35kV、频率15~60Hz的三相交流系统电站和变电所配电装置上,供导电部分穿过隔板、墙壁或其他接地物,起绝缘支持和外部导线(母线)间固定连接之用。
产品制造依据
GB770电站用35千伏及以下户外穿墙套管
GB771电站用35千伏及以下户内穿墙套管
GB12944高压穿墙次套管技术条件
使用环境
1) 户内穿墙套管
a)环境温度不高于+40℃,不低于-40℃;
b)海拔不超过1000m;
c)相对湿度月平均不大于90%;
d)周围空气应不受腐蚀性或可燃气体、水蒸气等明显污秽;
e)无经常性剧烈振动。
2)户外穿墙套管
a)环境温度不高于+40℃,不低于-40℃;
b)海拔不超过1000m~3000;
c)风速布大于34m/s;
d)产品使用环境的空气污秽程度,按GB5582分为0、Ⅰ、Ⅱ、Ⅲ、Ⅳ等4级;
e)无经常性剧烈振动。
技术参数:10kV、20kV高压穿墙套管
10kV、20kV铜导体穿墙套管主要尺寸特性 mm
|
用场所:
户内-户外
型号 |
图
号 |
额定
电压
kV |
额定
电流
A |
总
长
L |
两端
盖长
L1 |
一
端
长
L2 |
导电排 |
接线端子(每一端) |
安装法兰 |
户外
端最
小爬
电距
离
mm |
额定
弯曲
破坏
负荷
kN |
重
量
kG |
|
排
宽
b |
排
厚
δ |
排
间
距
δ1 |
片
数 |
孔径
d1 |
孔距
a1 |
孔
距
a2 |
孔
数 |
伸出
长度
≥
L3 |
孔
径
d2 |
孔
距
a |
孔
数 |
穿墙
孔
Max
d |
|
C-12/400 (户内) |
9 |
12 |
400 |
490 |
330 |
130 |
40 |
4 |
- |
1 |
11 |
15 |
30 |
2 |
75 |
14 |
175 |
2 |
115 |
- |
4 |
5 |
|
C-12/630 (户内) |
630 |
530 |
40 |
6.3 |
- |
1 |
13 |
20 |
40 |
2 |
95 |
175 |
2 |
115 |
6 |
|
CWW-12/400-2 |
9 |
400 |
520 |
360 |
158 |
40 |
4 |
- |
1 |
11 |
15 |
30 |
2 |
75 |
14 |
175 |
2 |
115 |
230 |
4 |
8 |
|
CWW-12/630-2 |
630 |
560 |
40 |
6.3 |
- |
1 |
13 |
20 |
40 |
2 |
95 |
175 |
2 |
115 |
10 |
|
CWW-12/1250-2 |
10a |
1250 |
520 |
63 |
10 |
- |
1 |
14 |
15 |
30 |
4 |
75 |
150 |
4 |
150 |
14 |
|
CWW-12/1600-2 |
10b |
1600 |
520 |
63 |
10 |
10 |
2 |
14 |
15 |
30 |
4 |
75 |
150 |
4 |
150 |
17 |
|
CWW-12/2000-2 |
10b |
2000 |
600 |
365 |
158 |
80 |
8 |
8 |
2 |
14 |
20 |
40 |
4 |
95 |
200 |
4 |
200 |
230 |
8 |
20 |
|
CWW-12/2500-2 |
2500 |
600 |
80 |
10 |
10 |
2 |
14 |
20 |
40 |
4 |
95 |
200 |
4 |
200 |
23 |
|
CWW-12/3150-2 |
3150 |
600 |
100 |
10 |
10 |
2 |
18 |
25 |
50 |
4 |
115 |
200 |
4 |
200 |
27 |
|
CWW-12/4000-2 |
10d |
4000 |
670 |
388 |
165 |
100 |
10 |
10 |
3 |
18 |
25 |
50 |
4 |
115 |
18 |
260 |
4 |
280 |
270 |
16 |
32 |
|
CWW-12/400-4 |
9 |
400 |
680 |
515 |
235 |
40 |
5 |
- |
1 |
11 |
15 |
30 |
2 |
75 |
14 |
175 |
2 |
115 |
360 |
4 |
10 |
|
CWW-12/630-4 |
630 |
720 |
40 |
8 |
- |
1 |
13 |
20 |
40 |
2 |
95 |
175 |
2 |
115 |
12 |
|
CWW-12/1250-4 |
10a |
1250 |
680 |
63 |
10 |
- |
1 |
14 |
15 |
30 |
4 |
75 |
150 |
4 |
150 |
17 |
|
CWW-12/1600-4 |
10b |
1600 |
680 |
63 |
10 |
10 |
2 |
14 |
15 |
30 |
4 |
75 |
150 |
4 |
150 |
20 |
|
CWW-12/2000-4 |
10b |
2000 |
710 |
475 |
215 |
80 |
8 |
8 |
2 |
14 |
20 |
40 |
4 |
95 |
15 |
200 |
4 |
200 |
360 |
8 |
24 |
|
CWW-12/2500-4 |
2500 |
710 |
80 |
10 |
10 |
2 |
14 |
20 |
40 |
4 |
95 |
200 |
4 |
200 |
26 |
|
CWW-12/3150-4 |
3150 |
710 |
100 |
10 |
10 |
2 |
18 |
25 |
50 |
4 |
115 |
200 |
4 |
200 |
29 |
|
CWW-12/4000-4 |
4000 |
710 |
100 |
10 |
10 |
2 |
18 |
25 |
50 |
4 |
115 |
200 |
4 |
200 |
33 |
|
CWW-24/2000-1 |
11a |
24 |
2000 |
835 |
590 |
255 |
80 |
8 |
8 |
2 |
14 |
20 |
40 |
4 |
95 |
15 |
220 |
4 |
250 |
370 |
8 |
34 |
|
CWW-24/2500-1 |
2500 |
835 |
80 |
10 |
10 |
2 |
14 |
20 |
40 |
4 |
95 |
220 |
4 |
250 |
37 |
|
CWW-24/3150-1 |
3150 |
835 |
100 |
10 |
10 |
2 |
18 |
25 |
50 |
4 |
95 |
220 |
4 |
250 |
40 |
|
CWW-24/2000-3 |
11D |
24 |
2000 |
940 |
700 |
312 |
80 |
8 |
8 |
2 |
14 |
20 |
40 |
4 |
95 |
15 |
220 |
4 |
250 |
600 |
8 |
32 |
|
CWW-24/2500-3 |
2500 |
940 |
80 |
10 |
10 |
2 |
14 |
20 |
40 |
4 |
95 |
220 |
4 |
250 |
34 |
|
CWW-24/3150-3 |
3150 |
940 |
100 |
10 |
10 |
2 |
18 |
25 |
50 |
4 |
115 |
220 |
4 |
250 |
36 |
|
CWW-24/4000-3 |
11E |
4000 |
1125 |
805 |
390 |
100 |
10 |
10 |
3 |
18 |
25 |
50 |
4 |
160 |
18 |
300 |
4 |
335 |
600 |
16 |
32 |
|
CWW-24/5000-3 |
2500 |
1125 |
125 |
10 |
10 |
3 |
18 |
32 |
65 |
4 |
160 |
300 |
4 |
335 |
34 |
|
CWW-24/6300-3 |
3150 |
1150 |
125 |
12 |
10 |
3 |
18 |
32 |
65 |
4 |
160 |
300 |
4 |
335 |
36 |
户外-户内穿墙套管外形及安装尺寸图
图9 10kV户内户外穿墙套管 电流:400~630A
图10 CWW-10/1250~3150
图10d CWW-10/4000A 高压穿墙套管
11 CWW-20/1250~3150
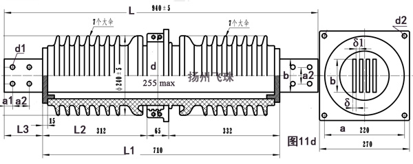
11d CWW-20/2000~3150
图11e CWW-20/4000~6300
35kV铜导体穿墙套管主要尺寸特性
|
使用场所:
户外-户内
额定电压40.5kV
型号 |
图
号 |
额定
电流
A |
总
长
L |
两
端
盖
长
L1 |
一
端
长
L2 |
导电排 |
接线端子(每一端) |
安装法兰 |
户外
端最
小爬
电距
离 |
额
定
弯
曲
破
坏
负
荷
kN |
重
量
kG |
|
排
宽
b |
排
厚
δ |
排
间
距
δ1 |
片
数 |
孔
径
d1 |
孔
距
a1 |
孔
距
a2 |
孔
数 |
伸
出
长
度
≥
L3 |
孔
径
d2 |
孔
距
a |
孔
数 |
穿
墙
孔
Max
d |
|
CW-40.5/400 |
12 |
400 |
980 |
815 |
372 |
40 |
4 |
- |
1 |
11 |
15 |
30 |
2 |
75 |
15 |
200 |
4 |
220 |
595 |
4 |
33 |
|
CW-40.5/630 |
630 |
1020 |
40 |
6.3 |
- |
1 |
13 |
20 |
40 |
2 |
95 |
200 |
4 |
220 |
35 |
|
CW-40.5/1250 |
13a |
1250 |
980 |
63 |
10 |
- |
1 |
14 |
15 |
30 |
4 |
75 |
220 |
4 |
240 |
37 |
|
CW-40.5/1600 |
13b |
1600 |
980 |
63 |
10 |
10 |
2 |
14 |
15 |
30 |
4 |
75 |
220 |
4 |
240 |
40 |
|
CWW-40.5/400-2 |
12 |
400 |
1015 |
850 |
390 |
40 |
4 |
- |
1 |
11 |
15 |
30 |
2 |
75 |
15 |
200 |
4 |
220 |
730 |
4 |
33 |
|
CWW-40.5/630-2 |
630 |
1055 |
40 |
6.3 |
- |
1 |
13 |
20 |
40 |
2 |
95 |
200 |
4 |
220 |
35 |
|
CWW-40.5/1250-2 |
13a |
1250 |
1015 |
63 |
10 |
- |
1 |
14 |
15 |
30 |
4 |
75 |
220 |
4 |
240 |
39 |
|
CWW-40.5/1600-2 |
13b |
1600 |
1015 |
63 |
10 |
10 |
2 |
14 |
15 |
30 |
4 |
75 |
220 |
4 |
240 |
44 |
|
CWW-40.5/400-3 |
12 |
400 |
1085 |
920 |
440 |
40 |
4 |
- |
1 |
11 |
15 |
30 |
2 |
75 |
15 |
200 |
4 |
220 |
1015 |
4 |
34 |
|
CWW-40.5/630-3 |
630 |
1125 |
40 |
6.3 |
- |
1 |
13 |
20 |
40 |
2 |
95 |
200 |
4 |
220 |
38 |
|
CWW-40.5/1250-3 |
13a |
1250 |
1085 |
63 |
10 |
- |
1 |
14 |
15 |
30 |
4 |
75 |
220 |
4 |
240 |
42 |
|
CWW-40.5/1600-3 |
13b |
1600 |
1085 |
63 |
10 |
10 |
2 |
14 |
15 |
30 |
4 |
75 |
220 |
4 |
240 |
47 |
|
CWW-40.5/2000-2 |
11a |
2000 |
1155 |
920 |
460 |
80 |
8 |
8 |
2 |
14 |
20 |
40 |
4 |
115 |
15 |
240 |
4 |
260 |
850 |
8 |
57 |
|
CWW-40.5/2500-2 |
2500 |
1155 |
80 |
10 |
10 |
2 |
14 |
20 |
40 |
4 |
115 |
240 |
4 |
260 |
60 |
|
CWW-40.5/3000-2 |
3000 |
1155 |
100 |
10 |
10 |
2 |
18 |
25 |
50 |
4 |
115 |
240 |
4 |
260 |
64 |
|
CWW-40.5/2000-3 |
11a |
2000 |
1175 |
940 |
480 |
80 |
8 |
8 |
2 |
14 |
20 |
40 |
4 |
115 |
15 |
240 |
4 |
260 |
1015 |
8 |
58 |
|
CWW-40.5/2500-3 |
2500 |
1175 |
80 |
10 |
10 |
2 |
14 |
20 |
40 |
4 |
115 |
240 |
4 |
260 |
62 |
|
CWW-40.5/3000-3 |
3000 |
1175 |
100 |
10 |
10 |
2 |
18 |
25 |
50 |
4 |
115 |
240 |
4 |
260 |
66 |
|
CWW-40.5/400-4 |
12 |
400 |
1200 |
960 |
480 |
40 |
4 |
- |
1 |
11 |
15 |
30 |
2 |
115 |
|
225 |
4 |
220 |
1260 |
8 |
38 |
|
CWW-40.5/630-4 |
630 |
1200 |
40 |
6.3 |
- |
1 |
13 |
20 |
40 |
2 |
115 |
|
225 |
4 |
220 |
41 |
|
CWW-40.5/1250-4 |
13a |
1250 |
1200 |
63 |
10 |
- |
1 |
14 |
15 |
30 |
4 |
115 |
|
225 |
4 |
220 |
45 |
|
CWW-40.5/1600-4 |
13b |
1600 |
1200 |
63 |
10 |
10 |
2 |
14 |
15 |
30 |
4 |
115 |
|
225 |
4 |
220 |
51 |
|
CWW-40.5/2000-4 |
2000 |
1200 |
80 |
8 |
8 |
2 |
14 |
20 |
40 |
4 |
115 |
15 |
225 |
4 |
260 |
57 |
|
CWW-40.5/2500-4 |
2500 |
1200 |
80 |
10 |
10 |
2 |
14 |
20 |
40 |
4 |
115 |
225 |
4 |
260 |
64 |
|
CWW-40.5/3150-4 |
3150 |
1200 |
100 |
10 |
10 |
2 |
18 |
25 |
50 |
4 |
115 |
225 |
4 |
260 |
69 |
|
CWC-40.5/4000-4 |
11b |
4000 |
1200 |
490 |
100 |
10 |
10 |
3 |
18 |
25 |
50 |
4 |
115 |
240 |
4 |
260 |
12.5 |
76 |
|
CWC-40.5/5000-4 |
5000 |
1200 |
120 |
10 |
10 |
3 |
18 |
30 |
60 |
4 |
115 |
240 |
4 |
260 |
81 |
|
CWC-40.5/6300-4 |
6300 |
1200 |
100 |
12 |
10 |
4 |
18 |
25 |
50 |
4 |
115 |
240 |
4 |
260 |
87 |

图11 CWW-40.5/2000~3150A 高压穿墙套管 CWC-40.5/4000~6300A

图 12 CWW-40.5/400、630A高压穿墙套管

图 13 CWW-40.5/1250~3150A高压穿墙套管 外形及安装尺寸图
型号说明




|