FN5-12R(L)型户内交流高压负荷开关一熔断器组合电器适用于50HZ、12KV的电网络中,作为开断负荷电流及关合电流之用。带有熔断器的负荷开关可切断短路电流作保护开关之用。
型号有:FN5-12,FN5-12D-带接地开关,FN5-12R-带熔断器,FN5-12RS-熔断器在上部,FN5-12RL带熔断器和脱扣装置,FN5-12RDL-带熔断器-脱扣器-接地刀。
本负荷开关可配用CS6-1型手动操作机构、本产品专用CS口手动或CJ口电动操作机构。
FN5-12R(L)型户内交流高压负荷开关-熔断器组合电器亦称带脱装置负荷开关(以下简称开关),适用于50Hz,额定电压6-12KV的网络中,可开断负荷电流、过载电流及短路电流,本负荷开关配用CS6-Ⅰ型手动操作机构,本产品专用的CS□手动机构。
FN5-12R(L)型户内交流高压负荷开关-熔断器组合电器是吸收消化国外先进技术,结合我国的供电要求,自行设计研制而成的。该产品经全面型式实验和长期的试运行考核、性能达到IEC420《交流高压负荷开关-熔断器组合电器》(1990版)和GB3804 《3-63KV交流高压负荷开关》标准要求,与国外同类产品比较,技术参数已达到同类产品水平,具有体积小、重量轻,可用于环网柜和箱式变电站,广泛应用于12KV线路的电能分配,并有效地避免了设备的缺相运行。
该产品的研制成功填补了国内空白,可实现开关、隔离和接地三工位。
技术参数
|
项目 |
单位 |
数据 |
|
额定电压 |
KV |
12 |
|
最高工作电压 |
KV |
12.7 |
|
额定频率 |
HZ |
50 |
|
额定电流 |
A |
400 |
630 |
|
额定短时耐受民流(热稳定) |
KA/S |
12.5/4 |
20/2 |
|
额定峰值耐受电流(热稳定) |
KA |
31.5 |
50 |
|
额定闭环开断电流 |
A |
400 |
630 |
|
额定有功负载开断电流 |
A |
400 |
630 |
|
5%额定有功负载开断电流 |
A |
20 |
31.5 |
|
额定电缆充电开断电流 |
A |
10 |
|
额定空载变压器载断电流 |
|
1250kVA变压器的空载电流 |
|
额定短路关合电流 |
KA |
31。5 |
50 |
|
额定电流开断次数 |
负荷/次 |
100%2 |
30%75 |
|
1min工频耐受电压(有限值)对地、相同/隔离断口 |
KV |
12/48 |
|
工频耐受电压隔离断口间 |
KV |
53 |
|
雷电冲击耐受(峰值)对地、相同/隔离断口 |
KV |
75/85 |
|
分合痼操作力距(力) |
Nm(N) |
90(180) |
100(200) |

 1图 FN5-12 1、框架2、支柱绝缘子3、支座接线座4、刀片 5、灭弧管 6、扭簧及扭簧销轴 7、导向片 8、触座接线板 9、拉杆 10、负荷开关转轴 11、弹簧储能机构12、操作机构
2图 FN5-12D
1、框架 2、接地刀片 3、接地开关轴 4、支柱绝缘子 5、接地转轴 6、支座接地板 7、刀片 8、灭弧管 9、拉簧接钮簧销轴 10、导向片 11、触座接线板 12、拉杆13、负荷开关轴 14、接线开关弹簧储能机构 15、接地开关弹簧储能机构 16、负荷开关操作机构 17、接地开关操作机构
3图 FN5-12R
1、FN5-12负荷开关 2、支座熔断器接线板 3、熔管 4、熔断器接线板 5、熔断器支架 注:配RN3熔管电流75A及75A以上的安装尺寸为括号内尺寸。
4图 FN5-12RS
1、FN5-12负荷开关 2、支座熔断器接线板 3、熔管 4、熔断器接线板 5、熔断器支架 注:配RN3熔管电流75A及75A以上的安装尺寸为括号内尺寸。
5图 FN5-12RL
1、低架 2、绝缘子 3、熔管 4、脱扣装置 5、动触头 6、灭弧管 7、导向片 8、静触头 9、分合闸机构
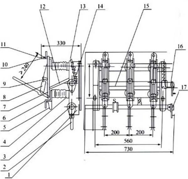
6图 FN5-12RDL
1、底架 2、绝缘子 3、熔管 4、脱扣装置 5、动触头 6、灭弧管 7、导向片 8、静触头 9、分合闸机构 10、联锁装置 11、负荷开关操动机构 12、接地开关 |